EC机器人IO接线

2024-11-01

1.  EC机器人IO接线介绍

EC机器人控制柜提供了丰富的IO接口,其中包括16路数字输入接口,20路数字输出接口(出厂时默认均为NPN类型,输入可进行NPN与PNP类型切换,输出不可配置),4 路模拟输出,2路模拟输入(-10V~10V),急停接口与防护停止接口各两组。(机器人内部自带24V电源,端子上所有24V内部已短接,所有COM已短接)

2.  接线说明

2.1 数字输入接线说明(NPN)

2.2 数字输入PNP如何配置

接线方式说明:

1、  J22与24V短接,J25与GNDP短接;NPN型输入。

DI口为24V,COM口为0V;所以需要给DI口输入0V,机器人得到信号。简单理解DI口与COM口是一个常开型开关,短接到一起即可得到信号。

2、J22与24V短接,J25与24V短接;NPN型输入。

DI口为24V,COM口为24V;所以需要给DI口输入OV

3、J22与GNDP短接,J25与GNDP短接;PNP型输入。

DI口为0V,COM口为0V;所以需要给DI口输入24V.

4、J22与GNDP短接,J25与24V短接;PNP型输入。

DI口为0V,COM口为24V;所以外部需要给DI口24V.

2.3 数字输出接线说明

2.4 急停回路说明

2.5 防护停止接线说明

2.6 模拟输入与输出接线说明


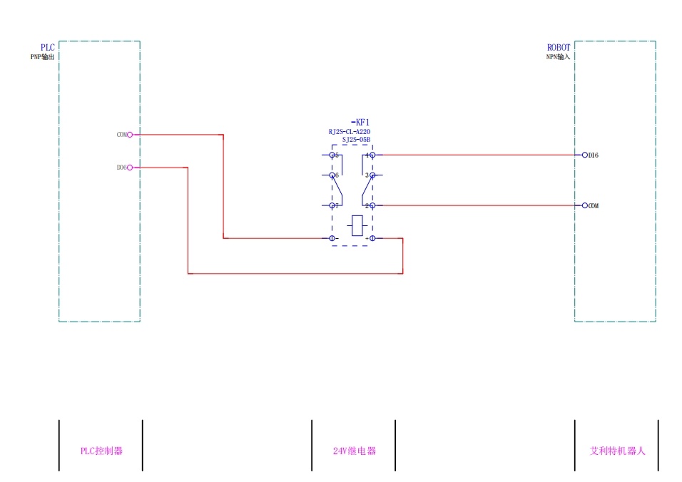
3.  通过继电器进行NPN与PNP转换

在实际使用过程中可能会遇到各种传感器与PLC,PNP与NPN的都有,这种情况可以通过中间继电器进行信号转换,具体方法为将机器人的输出信号接在继电器的线圈端,负载接在继电器的触点端,当机器人输出信号时,线圈得电,触点吸合,负载得电。(输入接法则相反,下图为输入接法)


4.  常见问题解答

4.1.问:接好传感器后收不到传感器信号

答:确定好传感器NPN与PNP类型是否与机器人一致,不一致可以切换机器人输入类型或者使用继电器进行转换


download-669.svg comicon14.svg

电话咨询

download-397.svg comicon15.svg

免费试用

Vector.svg Frame.svg

微信小程序

img1.jpg

微信小程序

准备好突破增长瓶颈,开启智能制造了吗?
了解我们的机器人如何帮助您的业务增长
欢迎下载leyu.乐鱼(中国)机器人资料

我已阅读并同意leyu.乐鱼(中国)《隐私政策》《法律声明》

我已知晓并同意leyu.乐鱼(中国)通过电子邮件发送相关资料

提交